g4lly Posté(e) le 6 octobre 2023 Share Posté(e) le 6 octobre 2023 il y a 20 minutes, Albatas a dit : Dans l'Armata la jonction tourelle/caisse a un diamètre respectable, je comprends en gros le système. Pour le AS40 je ne comprend pas le chemin que prend un obus pour arriver dans la culasse. A moins qu'il ne "prenne l'air" via un système automatique et une trappe ? On le canon se place dans une position spéciale "basse" qui permet une jonction caisse/arrière de la culasse ? Ça m'intrigue... A mon sens l'obus circule bien a l'exterieur. Comme dans tous les armements en superstructure. 1 Lien vers le commentaire Partager sur d’autres sites More sharing options...
Rescator Posté(e) le 6 octobre 2023 Share Posté(e) le 6 octobre 2023 il y a 28 minutes, g4lly a dit : A mon sens l'obus circule bien a l'exterieur. Comme dans tous les armements en superstructure. oui une sorte de cuillère monte l'obus du carousel vers la culasse 1 3 Lien vers le commentaire Partager sur d’autres sites More sharing options...
Albatas Posté(e) le 6 octobre 2023 Share Posté(e) le 6 octobre 2023 il y a une heure, Rescator a dit : oui une sorte de cuillère monte l'obus du carousel vers la culasse Merci des précisions. C'est compatible avec un rechargement en roulant ? Lien vers le commentaire Partager sur d’autres sites More sharing options...
C’est un message populaire. Patrick Posté(e) le 6 octobre 2023 C’est un message populaire. Share Posté(e) le 6 octobre 2023 Il y a 1 heure, Albatas a dit : Dans l'Armata la jonction tourelle/caisse a un diamètre respectable, je comprends en gros le système. Pour le AS40 je ne comprend pas le chemin que prend un obus pour arriver dans la culasse. A moins qu'il ne "prenne l'air" via un système automatique et une trappe ? Ou le canon se place dans une position spéciale "basse" qui permet une jonction caisse/arrière de la culasse ? Ça m'intrigue... De ce que je comprends ça ressemblait à ça: Désolé pour la faible qualité du dessin c'est fait à l'arrache. 1 6 2 Lien vers le commentaire Partager sur d’autres sites More sharing options...
g4lly Posté(e) le 6 octobre 2023 Share Posté(e) le 6 octobre 2023 Il y a 5 heures, BPCs a dit : L'AS-40 c'est déjà la cellule citadelle pour les 3 hommes d'équipage et la tourelle minimales téléopérée. On serait sur des tourelles d'environ 4t de masse au max ? Oui c'est un armement inhabité, et l'équipage en citadelle à l'avant. Le canon FER de la tourelle POLE c'était déjà 2500kg inclu la partie fixe. La tourelle Leclerc c'est 18t... Si on arrive a économiser 8t c'est déjà énorme à mon sens. Si on arrive à gratter 3t - on peut imaginer une caisse plus legere suite a lrallegement de l'armement - ailleurs en partant du gabarit du Leclerc on descendrait autour de 45t ce qui est déjà vraiment pas lourd pour un vrai MBT 120 typé OTAN, et qui laisserait des marge d'évolution. Lien vers le commentaire Partager sur d’autres sites More sharing options...
Rescator Posté(e) le 6 octobre 2023 Share Posté(e) le 6 octobre 2023 il y a 27 minutes, Patrick a dit : Désolé pour la faible qualité du dessin c'est fait à l'arrache. c'est pas mal du tout 1 Lien vers le commentaire Partager sur d’autres sites More sharing options...
Patrick Posté(e) le 6 octobre 2023 Share Posté(e) le 6 octobre 2023 il y a 3 minutes, Rescator a dit : c'est pas mal du tout Blague à part, quel mécanisme permettait d'amener l'obus du carousel à la cuillère et de la cuillère à la culasse? un bras robotisé? Je déduis également des images que la cuillère était tournante autour du pivot principal afin de pouvoir conserver le canon dans l'axe sans le déplacer en gisement dans le cas de tirs consécutifs par le travers. Ça fait quand même un point de défaillance critique, même si c'est très élégant. Lien vers le commentaire Partager sur d’autres sites More sharing options...
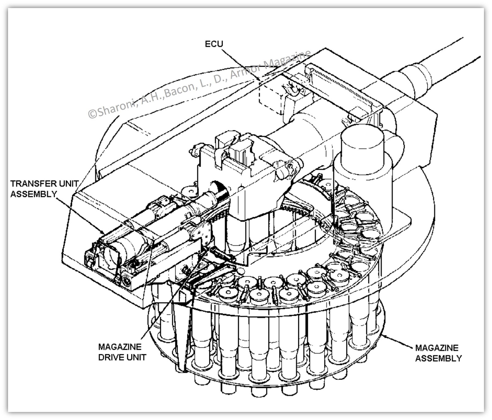
C’est un message populaire. Rescator Posté(e) le 6 octobre 2023 C’est un message populaire. Share Posté(e) le 6 octobre 2023 il y a 15 minutes, Patrick a dit : Blague à part, quel mécanisme permettait d'amener l'obus du carousel à la cuillère et de la cuillère à la culasse? un bras robotisé? Je déduis également des images que la cuillère était tournante autour du pivot principal afin de pouvoir conserver le canon dans l'axe sans le déplacer en gisement dans le cas de tirs consécutifs par le travers. Ça fait quand même un point de défaillance critique, même si c'est très élégant. la cuillère tournait autour de l'axe gisement de la tourelle, allait chercher l'obus dans son alvéole, le ramenait dans le gisement de la tourelle et remontait le long de l'affût pour charger la culasse. L'obus était protégé par un cylindre métallique lors du transfert. Le chargement en roulant était possible. 7 Lien vers le commentaire Partager sur d’autres sites More sharing options...
Patrick Posté(e) le 6 octobre 2023 Share Posté(e) le 6 octobre 2023 il y a 9 minutes, Rescator a dit : la cuillère tournait autour de l'axe gisement de la tourelle, allait chercher l'obus dans son alvéole, le ramenait dans le gisement de la tourelle et remontait le long de l'affût pour charger la culasse. L'obus était protégé par un cylindre métallique lors du transfert. Le chargement en roulant était possible. C'est génial comme idée! Lien vers le commentaire Partager sur d’autres sites More sharing options...
C’est un message populaire. Cyrano500 Posté(e) le 6 octobre 2023 C’est un message populaire. Share Posté(e) le 6 octobre 2023 (modifié) Pour alimenter le sujet en images réelles Quand il s'agit de faire ce genre de tourelles il y a trois écoles : 1/ le système de rechargement du Stryker qui ressemble assez au système décrit par les messages précedents (les ricains se sont tirés les cheveux quand il était en service) Révélation 2/ un CHA interne à la Russe (le prototype est bien américain) Abrams M1TTB Se retrouvera-t-on tous avec un Armata à la maison ? Le système reste raisonable Révélation 3/ CHA externe (ici Joardanien/Suisse) Challenger 1 () Falcon (Jordanien/Suisse/Sudafricain sur du Britannique ) Le plus sime des systèmes mais engagement assez limité, ce serait comme pour l'AMX 13 mais avec 60t au lieu de 15t Révélation Quant à l'EPC lui même... c'est du niveau du Stryker je dirais A la limite, si cela avait du voir le jour, GIAT aurait surement bifurqué vers un CHA similaire au M1TTB au vu de la complexité du système Révélation Modifié le 6 octobre 2023 par Cyrano500 9 Lien vers le commentaire Partager sur d’autres sites More sharing options...
BPCs Posté(e) le 7 octobre 2023 Share Posté(e) le 7 octobre 2023 Il y a 18 heures, Cyrano500 a dit : / le système de rechargement du Stryker qui ressemble assez au système décrit par les messages précedents (les ricains se sont tirés les cheveux quand il était en service) Masquer le contenu Est-ce vraiment ce système de rechargement qui n'était pas fiable ? Je me souviens avoir lu que le M1128 MGS avait d'autre problèmes : la climatisation déficiente (qui sera remplacée d'ailleurs) Et surtout la médiocrité du Stryker, dont la structure trop légère encaissait très mal le recul d'un 105mm haute pression Lien vers le commentaire Partager sur d’autres sites More sharing options...
mehari Posté(e) le 7 octobre 2023 Share Posté(e) le 7 octobre 2023 10 minutes ago, BPCs said: Est-ce vraiment ce système de rechargement qui n'était pas fiable ? L'autoloader avait ses propres problèmes. Si je me souviens bien, des difficultés de maintenance et des problèmes de fiabilité. Ça les a refroidis au point d'abandonner l'idée d'un autoloader sur le M10 Booker (malgré le fait que beaucoup de pays ont fait des systèmes parfaitement fonctionnels (France, Belgique, Italie, Corée du Sud, Japon, etc.)). Lien vers le commentaire Partager sur d’autres sites More sharing options...
BPCs Posté(e) le 7 octobre 2023 Share Posté(e) le 7 octobre 2023 il y a 41 minutes, mehari a dit : Ça les a refroidit au point d'abandonner l'idée d'un autoloader sur le M10 Booker (malgré le fait que beaucoup de pays ont fait des systèmes parfaitement fonctionnels (France, Belgique, Italie, Corée du Sud, Japon, etc.)). L'argument du choix du Griffin pour le MPF (futur M10), plus que l'absence de fiabilité d'un autoloader, était surtout de transposer la tourelle du M1 sur le châssis choisi, pour une commonalité de formation et de savoir-faire. Or le M1 n'a pas d'autoloader. 2 Lien vers le commentaire Partager sur d’autres sites More sharing options...
BPCs Posté(e) le 8 octobre 2023 Share Posté(e) le 8 octobre 2023 Pour revenir à la question des 50t du futur MBT Allemand (je n'ose plus dire futur MGCS...) un article d'EDRmagazine détaillant la solution de protection hybride proposee par une filiale de RM. https://www.edrmagazine.eu/iav-conference-rheinmetall-details-its-hybrid-armour-solution On constate que le blindage composant quasi 50% de la masse du char, la solution serait d'adopter une solution de blindage hybride visant à une économie de moitié de masse en blindage, soit un tiers de la masse totale du char. Citation Le chef de l'armée allemande a été très clair : le poids du futur char de combat principal doit être inférieur à 50 tonnes. Si l'on considère que le Leopard 2 original, le Leopard 2A0 si on le numérote en fonction des variantes suivantes, est né à la fin des années 1970 avec un poids de 53 tonnes, et que la dernière version A7+ pèse plus de 70 tonnes, il est clair que des changements radicaux s'imposent. Rheinmetall a identifié le blindage comme le sous-système du MBT qui peut apporter les plus grands avantages en termes de réduction de poids si une solution révolutionnaire est adoptée, car le composant de protection représente environ la moitié du poids d'un char moderne, la réduction de poids nécessaire étant de 23 tonnes pour la dernière version Leo 2, ce qui signifie 33% de la masse totale du char et environ la moitié de la masse estimée de son blindage. La solution hybride de RM est basée sur des tuiles intelligentes du fait de capteur radar à faible portée Citation L'adjectif "hybride" signifie que le module d'armure qui est monté sur l'armure de base de la plate-forme contient à la fois des éléments actifs et passifs, l'élément actif étant la troisième génération de l'ADS original connu aujourd'hui sous le nom de Strike Shield, sur lequel l'armure hybride est basée. Elle comprend donc des capteurs, une fenêtre dans l'armure avant devant chacun d'entre eux permettant leur bon fonctionnement. Il s'agit notamment d'un radar à faible puissance et à courte portée (environ 30 mètres) et d'un capteur électro-optique. Comme la fenêtre des capteurs affaiblirait en partie la résistance globale de la structure si des éléments résiduels frappaient le véhicule à cet endroit précis, le blindage passif est ici légèrement plus épais à cet endroit afin de répondre aux spécifications du STANAG 4569/AEP-55. Il est à noter que le capteur radar Strike Shield fonctionnant à courte portée, il génère des émissions de faible puissance qui n'augmentent pas la signature électromagnétique du char. Cela permet de les garder toujours actifs. Citation Pour ce qui est de la contre-mesure, il s'agit de l'élément énergétique de l'ensemble, qui se trouve à l'intérieur de la structure de blindage, dont la partie arrière est constituée de l'ensemble de blindage passif. Ce dernier est capable de résister à l'énergie résiduelle générée par le projectile entrant, suite à l'action de l'élément actif, sans être perforé. EDR On-Line a compris qu'un support absorbant l'énergie pourrait être utilisé afin d'éviter tout dommage sur la structure de base du véhicule, si la partie arrière du module, c'est-à-dire l'armure passive, faisait l'objet d'une déformation. Bien qu'aucun chiffre n'ait été fourni, le blindage hybride est beaucoup plus léger qu'un blindage passif/réactif, ce dernier étant plus efficace contre les charges creuses que contre les tiges longues. C'est la solution proposée par Rheinmetall pour faire passer les futurs chars de combat sous la barre des 50 tonnes, comme l'exige la Bundeswehr. Elle avait été développée initialement pour contrer les charges creuses mais sa rapidité de réaction a autorisé de l'utiliser pour les flèches. Citation L'ADS original a été conçu pour contrer principalement les systèmes à charge creuse, tels que les missiles ou les grenades propulsées par fusée, mais comme les temps de réaction ont montré que le système pouvait également faire face aux projectiles KE, il a été développé pour faire face à ces derniers, qui constituent bien sûr les menaces les plus critiques et dont l'utilisation est revenue à la surface avec les confrontations de pair à pair devenues une réalité. Les pénétrateurs KE en tungstène quittent la bouche du canon du MBT à une vitesse d'environ 1 800 m/s, leur configuration aérodynamique optimale leur permettant de perdre une partie minime de cette vitesse, moins de 10 %, à une distance de 1 000 mètres, soit moins de 20 % en termes de réduction de l'énergie délivrée à la cible. Cependant, l'objectif du blindage hybride est d'éviter que cette énergie n'atteigne la cible. Le résultat de la fragmentation de la flèche en 3 à 4 morceaux étant une diminution de son effet de près de 75% Citation Comme nous l'avons dit, la menace la plus critique est celle qui provient des grands pénétrateurs KE, c'est pourquoi nous nous concentrerons principalement sur ces derniers. En comparant les vidéos et les images fournies par Rheinmetall, qui, au cours des trois dernières années, a travaillé intensément à l'optimisation de sa protection active contre les tiges longues, il a été possible de constater que si, au départ, le pénétrateur était déstabilisé et incliné d'un angle limité, les dernières images le montrent brisé en morceaux, généralement en trois, parfois en quatre, les éléments résiduels impactant la surface du blindage à un angle élevé, souvent bien supérieur à 45°. Selon des sources non spécifiques, cela a permis de réduire l'efficacité du pénétrateur jusqu'à 75 %, des résultats qui ont été prouvés lors de nombreux tests, notre source soulignant qu'un travail d'optimisation supplémentaire est en cours. Cette solution pourrait aussi être utilisée en tant que dernier recours pour les attaques par le toit mais RM croit davantage en des solutions de soft-kill. Citation Quant à l'utilisation éventuelle d'un blindage hybride contre les menaces d'attaque au sommet, Rheinmetall considère qu'il s'agit d'une solution de dernier recours, les systèmes soft-kill étant plus faciles à installer et à qualifier. Les deux solutions peuvent exploiter la même bibliothèque de menaces que celle dont disposent les contre-mesures actives, ainsi que les algorithmes de classification des menaces, l'attaque de toit ayant probablement besoin de capteurs radar dédiés plus puissants pour détecter les menaces entrantes et activer d'abord les solutions soft-kill, puis les solutions hard-kill. Les émissions électromagnétiques de ces capteurs auraient un impact relatif sur la signature électromagnétique du véhicule car elles seraient dirigées vers le haut, avec des chances limitées d'être interceptées par les systèmes terrestres de guerre électronique de l'adversaire. Rheinmetall a déclaré que la Bundeswehr a publié les exigences relatives aux systèmes de défense contre les attaques de haut niveau, et que l'industrie travaille donc actuellement sur ces données pour développer une telle solution. Cette protection hybride est compatible avec des systèmes d'APS travaillant à une distance plus grande. Citation Le blindage hybride proposé par RPS est un système ouvert et modulaire, et peut également accepter un système basé sur un lanceur, qui pourrait être utilisé pour neutraliser les menaces de missiles et de RPG à de plus grandes distances. L'article se conclut sur la remarque que, si l'optimum de gain de poids se fait sur un nouveau design, ces solutions sont néanmoins compatibles avec un design existant. Citation Selon l'entreprise, la meilleure approche pour garantir la plus grande réduction de poids et l'efficacité maximale de sa solution hybride est de commencer à travailler avec le fournisseur de la plateforme dès le début du projet, ce qui permet de l'intégrer aussi profondément que possible dans la conception. Cela ne veut pas dire qu'il ne faut pas l'envisager pour améliorer les plates-formes existantes équipées d'un blindage modulaire, mais l'allègement qui en résulterait serait moins efficace que dans un véhicule de conception nouvelle. AMHA si le design existant, prenons par hasard un Leo 2AX, avait la bonne idée de descendre autour des 50t, il remplirait raisonnablement le cahier des charges et récupérait celui envisagé pour l'US Army pour disposer d'un successeur du M1 apte au combat en 2040. Quant au desiderata français d'avoir un char encore plus léger, on voit qu'un design de la tourelle type AS-40 avec personnels en caisse amène autour de 40t... Le 06/10/2023 à 16:12, Rescator a dit : Le 06/10/2023 à 14:50, g4lly a dit : Celui que j'ai mis en image au dessus c'était le projet AS22? J'ai du mal à trouver une illustration de l'AS40. Celle ci serait correcte? Expand oui c'est bien celui de droite. A noter qu'il y avait un viseur optique panoramique chef avec un chemin optique assez compliqué qui ramenait les images au poste chef en châssis. Mais ça rentre dans 40 t avec un caisson de protection de ouf à l'avant. Bon c'est peut-être plus la priorité avec tout ce qui tombe du ciel. Mais un design de type E-MBT de 60t auquel on appliquerait la réduction de masse d'un tiers apportée par les solutions de blindage hybride serait aussi autour de 40t (et on rappelle d'ailleurs que l'usage d'un chassis de Leo amène une masse de 4t supérieure à ce qu'apportent une tourelle E-MBT sur chassis de XL). Le choix entre les 2 options AS-40 versus tourelle E-MBT ne serait-il pas dans la protection effective apportée par les systèmes APS et d'armure hybride dans la protection des attaques par le toit ? On rappelle que Nexter travaille aussi sur des blindages réactifs intelligents. https://www.forcesoperations.com/de-nouveaux-blindages-reactifs-en-developpement-chez-nexter-arrowtech/ Citation Le blindage « intelligent » EPRA, enfin, est conçu pour identifier le type de projectile. À la différence d’une protection active traitant la menace à distance grâce à ses capteurs, « l’idée est ici d’attendre l’impact pour détecter le projectile ». Il s’agira de rendre le module apte à déterminer s’il doit laisser la menace le traverser ou commander la détonation à l’instant idéal en fonction de l’énergie détectée. Ce faisant, l’EPRA optimise l’effet de l’explosif tout en étant capable de discriminer les leurres et les munitions de petits et moyens calibres pour lesquels le blindage passif s’avère suffisant. Résultat : pas de consommation inutile de briques ERA, donc pas de trou dans le maillage et un bouclier qui conserve une pleine capacité de réaction. Le système gagne également en sécurité grâce au recours à un explosif insensible. Ce produit « de nature à rendre plus robuste un blindage réactif », l’industriel espère pouvoir le mettre sur le marché en 2030. 1 3 Lien vers le commentaire Partager sur d’autres sites More sharing options...
rodac Posté(e) le 8 octobre 2023 Share Posté(e) le 8 octobre 2023 Il y a 16 heures, mehari a dit : L'autoloader avait ses propres problèmes. Si je me souviens bien, des difficultés de maintenance et des problèmes de fiabilité. Ça les a refroidis au point d'abandonner l'idée d'un autoloader sur le M10 Booker (malgré le fait que beaucoup de pays ont fait des systèmes parfaitement fonctionnels (France, Belgique, Italie, Corée du Sud, Japon, etc.)). Ça n’empêche pas d’avoir un Abrams X avec un chargeur automatique et avec l’arrivée prochaine de blindés robots, je vois mal la présence d’un unique passager chargeur de munitions. Ça serait un comble ! 1 Lien vers le commentaire Partager sur d’autres sites More sharing options...
mehari Posté(e) le 8 octobre 2023 Share Posté(e) le 8 octobre 2023 13 minutes ago, rodac said: Ça n’empêche pas d’avoir un Abrams X avec un chargeur automatique et avec l’arrivée prochaine de blindés robots, je vois mal la présence d’un unique passager chargeur de munitions. Ça serait un comble ! Bien sûr mais ce sont des cas où ils n'auront plus le choix. Sur le Booker, ils ont le choix. Sur l'Abrams X (qui n'est pas forcément orienté par les décisions de l'US Army mais par une boîte qui veut montrer ce qu'elle fait et occuper l'espace médiatique), le choix est enlevé par le passage de l'équipage en citadelle et sur les robots (qui sont une demande de l'Army) il n'y a tout simplement pas d'équipage. Lien vers le commentaire Partager sur d’autres sites More sharing options...
rodac Posté(e) le 8 octobre 2023 Share Posté(e) le 8 octobre 2023 il y a 12 minutes, mehari a dit : Bien sûr mais ce sont des cas où ils n'auront plus le choix. Sur le Booker, ils ont le choix. Sur l'Abrams X (qui n'est pas forcément orienté par les décisions de l'US Army mais par une boîte qui veut montrer ce qu'elle fait et occuper l'espace médiatique), le choix est enlevé par le passage de l'équipage en citadelle et sur les robots (qui sont une demande de l'Army) il n'y a tout simplement pas d'équipage. Donc on saurait faire un chargeur automatique fiable pour un robot et pas pour un char avec équipage. J’avoue que je ne comprends pas la logique. Lien vers le commentaire Partager sur d’autres sites More sharing options...
mehari Posté(e) le 8 octobre 2023 Share Posté(e) le 8 octobre 2023 3 minutes ago, rodac said: Donc on saurait faire un chargeur automatique fiable pour un robot et pas pour un char avec équipage. J’avoue que je ne comprends pas la logique. C'est surtout une question de choix, timeframe et ressenti. L'expérience Stryker a paraît-il fortement refroidi l'US Army vis-à-vis des autoloaders. Du coup, il se peut qu'ils veuillent attendre un développement poussé pour en mettre un en service (successeur de l'Abrams, RCV-H) plutôt que d'en mettre un sur un projet à faibles délais. Le programme MPF a commencé en 2015 et les premiers véhicules seront livrés cette année. Ils auraient pu choisir d'acheter une version de la technologie sur étagère mais manifestement, ce n'est pas le choix qui a été fait. Lien vers le commentaire Partager sur d’autres sites More sharing options...
Ziggy Stardust Posté(e) le 8 octobre 2023 Share Posté(e) le 8 octobre 2023 Il y a 16 heures, BPCs a dit : L'argument du choix du Griffin pour le MPF (futur M10), plus que l'absence de fiabilité d'un autoloader, était surtout de transposer la tourelle du M1 sur le châssis choisi, pour une commonalité de formation et de savoir-faire. Or le M1 n'a pas d'autoloader. La tourelle est pourtant complétement différente de celle du Abrams ? Lien vers le commentaire Partager sur d’autres sites More sharing options...
BPCs Posté(e) le 8 octobre 2023 Share Posté(e) le 8 octobre 2023 Il y a 2 heures, Ziggy Stardust a dit : La tourelle est pourtant complétement différente de celle du Abrams ? Mais il y a une communauté certaine de systèmes : Citation GDLS offered a new, lightweight chassis with a high-performance power pack and an advanced suspension, combined with a turret featuring the latest version of the fire control system found in the Abrams main battle tank. ... “The soldiers the Army selected for [the soldier evaluation] were tankers, so they were familiar with the Abrams tank when they started last year’s evaluation and they immediately saw how common the look and feel and operations inside the turret were [compared] to the Abrams tank today,” Tim Reese, GDLS’ director of U.S. business development, told Defense News on June 28. “It didn’t take a lot of training to get them up to speed.” https://www.defensenews.com/land/2022/06/28/us-army-unveils-contract-to-build-new-light-tank-for-infantry-forces/ 1 Lien vers le commentaire Partager sur d’autres sites More sharing options...
Banzinou Posté(e) le 8 octobre 2023 Share Posté(e) le 8 octobre 2023 Une étude recommande d’acquérir des chars E-MBT auprès de KNDS pour « alléger la charge sur les Leclerc » https://www.opex360.com/2023/10/08/une-etude-recommande-dacquerir-des-chars-e-mbt-aupres-de-knds-pour-alleger-la-charge-sur-les-leclerc/ 2 Lien vers le commentaire Partager sur d’autres sites More sharing options...
Albatas Posté(e) le 8 octobre 2023 Share Posté(e) le 8 octobre 2023 (modifié) il y a une heure, Banzinou a dit : Une étude recommande d’acquérir des chars E-MBT auprès de KNDS pour « alléger la charge sur les Leclerc » Je ne vois pas trop l’intérêt d'acheter "quelques E-MBT" et maintenir le MGCS. A un moment d'ADT va avoir 3 modèles de MBT ? L'Allemagne à commandé des Léo2A8, si la France commande des E-MBT (et donc paye l'industrialisation et la mise au point), elle en commande 240, fait une modernisation des Leclerc à minima en attendant et on enterre définitivement le programme MGCS. Et on le propose à l'export. Pour les clients, ça donne châssis KMW pour tout le monde, et au choix tourelle Nexter ou RM. Modifié le 8 octobre 2023 par Albatas précision 1 Lien vers le commentaire Partager sur d’autres sites More sharing options...
g4lly Posté(e) le 8 octobre 2023 Share Posté(e) le 8 octobre 2023 il y a une heure, Albatas a dit : Je ne vois pas trop l’intérêt d'acheter "quelques E-MBT" et maintenir le MGCS. A un moment d'ADT va avoir 3 modèles de MBT ? Le MGCS est un systeme de combat terrestre ... pas un tank. 2 Lien vers le commentaire Partager sur d’autres sites More sharing options...
Albatas Posté(e) le 8 octobre 2023 Share Posté(e) le 8 octobre 2023 il y a 11 minutes, g4lly a dit : Le MGCS est un systeme de combat terrestre ... pas un tank. Dans le principe je suis d'accord, mais dans la pratique, quand RM parle de canon de 130, Nexter de 140 etc... on dirait bien que dans la tête des industriels en tout cas tout le monde pense à un futur tank. 1 Lien vers le commentaire Partager sur d’autres sites More sharing options...
BPCs Posté(e) le 8 octobre 2023 Share Posté(e) le 8 octobre 2023 il y a 47 minutes, Albatas a dit : Dans le principe je suis d'accord, mais dans la pratique, quand RM parle de canon de 130, Nexter de 140 etc... on dirait bien que dans la tête des industriels en tout cas tout le monde pense à un futur tank. Ce qui est amusant, c'est que le canon électromagnétique pourrait aussi être l'armement principal du MBT du MGCS suivant l'article récent de fob : https://www.forcesoperations.com/leurope-passe-la-seconde-sur-le-canon-electromagnetique/ 1 1 Lien vers le commentaire Partager sur d’autres sites More sharing options...
Messages recommandés
Veuillez vous connecter pour commenter
Vous pourrez laisser un commentaire après vous êtes connecté.
Connectez-vous maintenant